开心彩

欢迎来到艾思捷传动技术(上海)有限公司官方网站!

艾思捷传动技术(上海)有限公司

让传动更高效、更可靠专注12#锡青铜蜗轮减速机研发生产

技术热线181-3611-8455
扫一扫加微信扫一扫加微信

技术资讯

您的当前位置:首页 > 新闻资讯 > 技术资讯

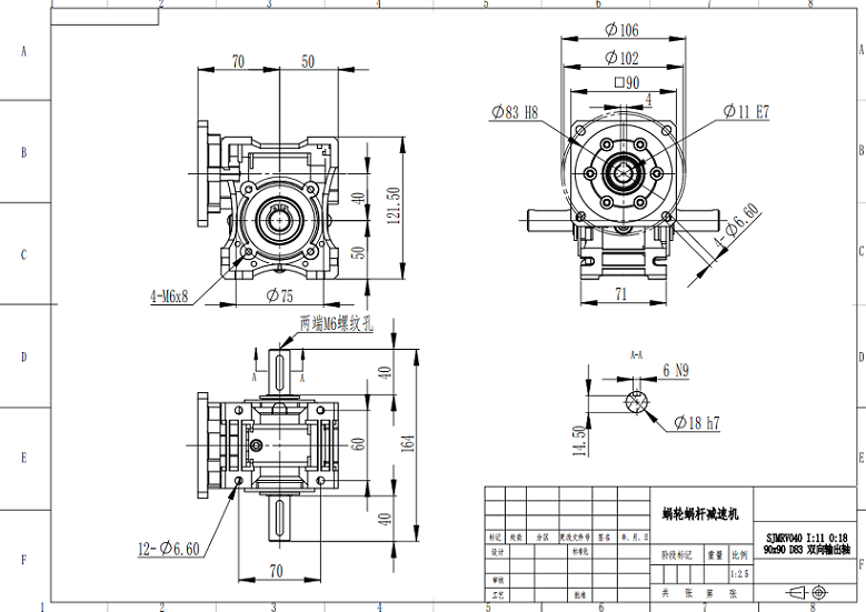
艾思捷SJMRVO40双向输出轴减速机

返回列表 来源:艾思捷 查看手机网址
扫一扫!艾思捷SJMRVO40双向输出轴减速机扫一扫!
浏览:- 发布日期:2024-12-07 02:42:24【

  蜗轮减速机双向输出轴,是不是有在找这个款的减速机,这不,图纸技术就出给我了。作为减速机厂家,很多时候是要按照客户的具体要求来设计生产的。在标准的减速机基础之上进行改造。
   例如这款SJMRVO40双向输出轴减速机,就是客户应用在输送设备上的。采用这款蜗轮减速机,双向输出能够很好的联接在设备,当电机运行就会带动减速机的双轴运行,在使用过程中运行平稳。
   这款SJMRVO40双向输出轴减速机外壳采用的是铝合金材质安装方式任意安装都行。内部蜗轮采用的是耐磨的CuSn12Ni2锡青铜,使用中更耐用。

艾思捷SJMRVO40 双向输出轴减速机.png

艾思捷欢迎广大客户来电咨询,

             

              - 定制热线: 盛工 18116258006